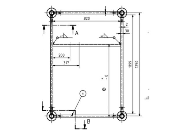
Stapelrek | Stapelpalet | Steigerrek | Stapeljuk | 125 x 85 volgens model Layher | losse Rongen | 1010.0030
- Met losse staanders
- Gegalvaniseerd
- Afmeting ( l x b x h ) 125 x 85 x 16,5 cm
- Artikel 1010.0030
Bovenstaande prijzen zijn excl. BTW en af fabriek. Transportprijzen worden apart doorberekend. Bovenstaande artikelen zijn altijd op basis van beschikbaarheid.
